P-007 – P-056 PICA堆叠型压电陶瓷促动器
高力、大位移、柔性生产
- 行程范围达300 毫米
- 高负载能力
- 产生的力高达80千牛
- 超高可靠性:>109 次循环



规格
该内容仅在平板电脑或桌面型设备上可见。规格
|
|
|
|
|
|
| |
|---|---|---|---|---|---|---|---|
|
|
|
|
|
|
| |
P-007.00 | 5 | 7 | 8 | 650 | 130 | 11 | 126 |
P-007.10 | 15 | 7 | 17 | 850 | 59 | 33 | 59 |
P-007.20 | 30 | 7 | 29 | 1000 | 35 | 64 | 36 |
P-007.40 | 60 | 7 | 54 | 1150 | 19 | 130 | 20 |
P-010.00 | 5 | 10 | 8 | 1400 | 270 | 21 | 126 |
P-010.10 | 15 | 10 | 17 | 1800 | 120 | 64 | 59 |
P-010.20 | 30 | 10 | 30 | 2100 | 71 | 130 | 35 |
P-010.40 | 60 | 10 | 56 | 2200 | 38 | 260 | 20 |
P-010.80 | 120 | 10 | 107 | 2400 | 20 | 510 | 10 |
P-016.10 | 15 | 16 | 17 | 4600 | 320 | 180 | 59 |
P-016.20 | 30 | 16 | 29 | 5500 | 190 | 340 | 36 |
P-016.40 | 60 | 16 | 54 | 6000 | 100 | 680 | 20 |
P-016.80 | 120 | 16 | 101 | 6500 | 54 | 1300 | 11 |
P-016.90 | 180 | 16 | 150 | 6500 | 36 | 2000 | 7 |
P-025.10 | 15 | 25 | 18 | 11000 | 740 | 400 | 56 |
P-025.20 | 30 | 25 | 30 | 13000 | 440 | 820 | 35 |
P-025.40 | 60 | 25 | 53 | 15000 | 250 | 1700 | 21 |
P-025.80 | 120 | 25 | 101 | 16000 | 130 | 3400 | 11 |
P-025.90 | 180 | 25 | 149 | 16000 | 89 | 5100 | 7 |
P-025.150 | 250 | 25 | 204 | 16000 | 65 | 7100 | 5 |
P-025.200 | 300 | 25 | 244 | 16000 | 54 | 8500 | 5 |
P-035.10 | 15 | 35 | 20 | 20000 | 1300 | 700 | 51 |
P-035.20 | 30 | 35 | 32 | 24000 | 810 | 1600 | 33 |
P-035.40 | 60 | 35 | 57 | 28000 | 460 | 3300 | 19 |
P-035.80 | 120 | 35 | 104 | 30000 | 250 | 6700 | 11 |
P-035.90 | 180 | 35 | 153 | 31000 | 170 | 10000 | 7 |
P-045.20 | 30 | 45 | 33 | 39000 | 1300 | 2800 | 32 |
P-045.40 | 60 | 45 | 58 | 44000 | 740 | 5700 | 19 |
P-045.80 | 120 | 45 | 105 | 49000 | 410 | 11000 | 10 |
P-045.90 | 180 | 45 | 154 | 50000 | 280 | 17000 | 7 |
P-050.20 | 30 | 50 | 33 | 48000 | 1600 | 3400 | 32 |
P-050.40 | 60 | 50 | 58 | 55000 | 910 | 7000 | 19 |
P-050.80 | 120 | 50 | 105 | 60000 | 500 | 14000 | 10 |
P-050.90 | 180 | 50 | 154 | 61000 | 340 | 22000 | 7 |
P-056.20 | 30 | 56 | 33 | 60000 | 2000 | 4300 | 32 |
P-056.40 | 60 | 56 | 58 | 66000 | 1100 | 8900 | 19 |
P-056.80 | 120 | 56 | 105 | 76000 | 630 | 18000 | 10 |
P-056.90 | 180 | 56 | 154 | 78000 | 430 | 27000 | 7 |
行程:0至1000伏时,公差为-10/20%。
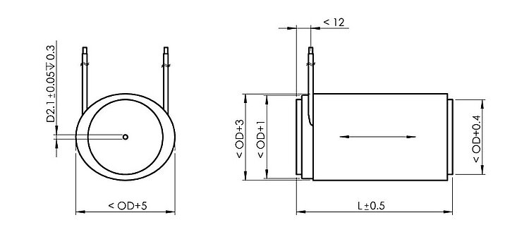
长度L:公差为±0.5毫米。
闭锁力:0至1000伏时。
电容:公差为±20%,1伏峰峰、1千赫兹、室温下测量。
1伏下的谐振频率。峰峰、空载、夹钳松开。单侧夹紧时数值减半。
压电陶瓷类型:PIC151。
标准连接:聚全氟乙丙烯绝缘导线,100毫米,美国线规为24,直径为1.15毫米。
工作电压:0至1000伏。
工作温度范围:-20至85摄氏度。
标准机械接口:钢板,厚度为0.5至2毫米(取决于型号)
外表面:聚烯烃收缩套管,黑色。
动态操作的推荐预载:15兆帕。
恒力的最大预载:30兆帕。
可按需提供定制设计或不同规格。
下载
文件
用户使用手册PZ138
PICA压电促动器:P-007、P-010、P-016、P-025、P-035、P-045、P-050、P-056 PICA板叠/功率/定制产品
报价/订购
就所需数量、价格和供货周期请求免费报价或描述您所需的改型。
可按需提供定制设计或不同规格。


















