M-232 带直流和步进电机的高分辨率线性促动器
带折叠驱动,高度紧凑
- 行程为17毫米
- 最小位移达0.1微米
- 速度达1.5毫米/秒
- 闭环直流伺服和步进电机版本
- MTBF>5,000小时
M-232 带直流和步进电机的高分辨率线性促动器
产品描述
规格
下载
报价/订购
规格
该内容仅在平板电脑或桌面型设备上可见。规格
|
|
|
| |
|---|---|---|---|---|
高分辨率,闭环 | 高分辨率,带步进电机 | |||
| ||||
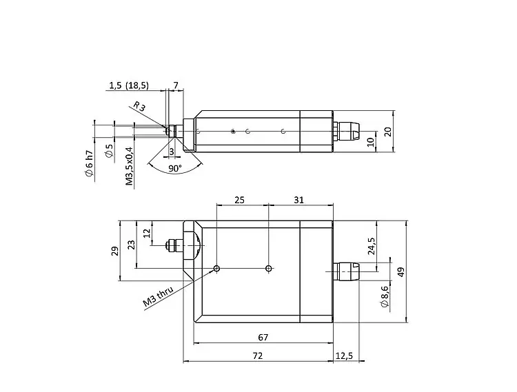
行程 | 17 | 17 | 毫米 | |
集成传感器 | 旋转编码器 | – | ||
传感器分辨率 | 2048 | – | 步/圈 | |
设计分辨率 | 0.007 | 0.037 | 微米 | 典型值 |
最小位移 | 0.1 | 0.1 | 微米 | 典型值 |
空回 | 2 | 2 | 微米 | 典型值 |
单向重复精度 | 0.2 | 0.2 | 微米 | 典型值 |
速度 | 1.5 | 1 | 毫米/秒 | 最大 |
| ||||
传动螺杆 | 丝杠 | 丝杠 | ||
螺距 | 0.4 | 0.4 | 毫米 | |
齿轮速比 | 28.44444:1 | 28.44444:1 | ||
电机分辨率 | – | 384* | 步/圈 | |
推/拉力 | 40 | 40 | 牛 | 最大 |
| ||||
电机类型 | 直流电机,减速齿轮 | 两相步进电机* | ||
工作电压 | 0至±12 | 24 | 伏 | |
电功率 | 2 | – | 瓦 | |
限位开关 | 霍尔效应 | 霍尔效应 | ||
| ||||
工作温度范围 | -20 到 65 | -20 到 65 | °C | |
材料 | 阳极氧化的铝、铬钢 | 阳极氧化的铝、铬钢 | ||
质量 | 0.17 | 0.17 | 千克 | ±5 % |
电缆长度 | 0.5米 + 3米延伸电缆(包含在内) | 0.5米 + 3米延伸电缆(包含在内) | 米 | ±10 毫米 |
连接器 | 15-针sub-D,含编码器驱动器 | Sub-D,15-针 | ||
推荐控制器/驱动器 | C-863单轴 C-843 PCI板,用于超过4轴 | C-663单轴 |
防止推动器受侧向力影响!
询问定制设计!
*最大0.25安/相;24全步/转、带C-663步进电机控制器的电机分辨率
下载
产品注解
产品注解
Product Change Notification Lable Change M-products
版本/日期
2019-10-01
pdf - 230 KB
English
产品注解
Product Change Notification M-Portfolio Streamlining 2
M-227.10S, M-230.10V, M-230.25V, M-232.17S, M-235.22S, M-235.2VD, M-235.2VG, M-235.52S, M-235.5VD, M-235.5VG
版本/日期
2019-04-05
pdf - 71 KB
English
文件
文件
简单说明MP122EK
M-168/M-22x/M-23x线性促动器
版本/日期
6.1.0 03/2025
pdf - 199 KB
版本/日期
6.1.0 03/2025
pdf - 207 KB
文件
用户使用手册MP105
M-232紧凑型高分辨率线性促动器
版本/日期
1.2 2020-08-31
pdf - 942 KB
版本/日期
1.2 2020-08-31
pdf - 1 MB
3D模型
3D模型
M-232 3-D模型
zip - 94 KB
报价/订购
就所需数量、价格和供货周期请求免费报价或描述您所需的改型。
M-232.17
带直流电机的紧凑型高分辨率线性促动器,17毫米,限位开关
M-232.17S
带步进电机的紧凑型高分辨率线性促动器,17毫米,限位开关
询问定制设计!















